Sebelum Saya melanjutkan pembahasan tentang modifikasi Power Amplifier OCL 150 watt ini, ijinkan Saya mengucapakan rasa kagum serta acungan Jempol buat para penghobi dan pencinta elektronika serta Sound System, kepada mereka yang telah membagikan informasi modifikasi tsb dan sekaligus mohon ijin untuk Copy skemanya.
Seperti sama sama Kita ketahui, bahwa rangkaian power amplifier OCL 150 yang sering di gunakan adalah sebuah rangkaian cukup sederhana dan simpel, tetapi mempunyai kualitas suara cukup baik. Meskipun pada rangkaian dasarnya atau aslinya hanya mensuply arus tegang dari travo sekitar 24 s/d 32 volt saja dan dengan menggunakan transistor outputnya yaitu type 2N3005 - MJ2955 sudah dapat kita gunakan untuk didalam maupun diluar rungan, walau sebatas ruang lingkup yang terbtas.
Seiring berjalan dengan rasa kurang puasnya kita, maka timbul berkeinginan untuk bereksperimen dengan kata lain yaitu modifikasi rangkain amplifier OCL tsb. Lebih lebih bagi mereka yang memiliki perangkat Sound System, tentunya modifikasi ini merupakan alternatif yang baik utuk meningkatkan kualitas dari Sound System miliknya. Walau banyak terdapat Power amplifier buatan negeri seberang dapat memuaskan keinginan mereka, tetapi paktor pertimbangan harga dan resiko kerusakan yang akan menelan biaya yang besar. “Kalau ada yang murah tetapi dapat dimaksimalkan kenapa tidak, OKE…!!!.”
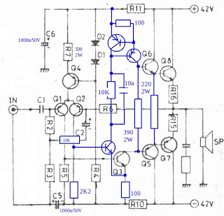
Keterangan gambar di atas, yang berwarna hitam adalah skema asli, dan berwarna biru hasil tambahan dari teman yang memodifikasi rangkaian tsb.
Saran Saya:
- Untuk memulai menggunakan rangkaian hasil modifikasi diatas, sebaiknya gunaka suply arus 24 -32 volt terlebih dulu, setelah sempurna baru menggunakan arus yang lebih besar ( 40 - 47 volt ).
- Gunakan Sikring untuk arus + dan - sebelum masuk ke PCB rangkaian, untuk menghindari kesalahan agar kerusakan pada komponen dapat di minimalisir.
- Terusterang dari skema diatas belum 100% sempurna, harap sesuaikan nilai pada beberapa resistor bagian belakangnya, untuk mendapatkan hasil yang lebih baik.
- Sebaiknya gunakan satu pasang saja transistor outputnya, guna memperkecil resiko biaya bila terjadi kesalahan dalam merangkainya. Setelah berhasil silhkan, terserh Anda.
Semoga bermanfa’at dan selamat berekperimen, salam Success..!












